Log In/Sign Up
Your email has been sent.
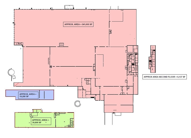
133 Scanlan St 606,321 SF Vacant Industrial Building Newton, MS 39345 $12,500,000 ($20.62/SF)



INVESTMENT HIGHLIGHTS
- Great Owner-User or Investment Opportunity!
EXECUTIVE SUMMARY
FOR SALE OR LEASE
This 606,000 square foot industrial facility on 27.5 acres in Newton, MS is ideal for manufacturing companies or large warehouse users looking for a strategic location in the southeast region. With its convenient access to Interstate 20, and location just 60 miles east of Jackson, MS, it offers easy access for transportation and distribution needs.
Main Plant Transformer:2500KVA, fuse protected for 3000 amps @ 480V. Chiller Room Transformer: 1500KVA, breaker protected for 1600 amps @ 480V. Currently have a 750KVA transformer installed, good for 900 amps @ 480V
The entire warehouse is under a conditioned roof and a large portion of it contains 30' clear height. Use of up to all 37 loading docks is available, and there is an opportunity to take only a portion of the building. Also included is 20,000 square feet of office area, complete with management offices, training rooms, an in-house infirmary, and a cafeteria, making it a facility suitable for various operational requirements. Trained workforce is located in this immediate area, as La-Z-Boy has been in business here for over fifty years.
This 606,000 square foot industrial facility on 27.5 acres in Newton, MS is ideal for manufacturing companies or large warehouse users looking for a strategic location in the southeast region. With its convenient access to Interstate 20, and location just 60 miles east of Jackson, MS, it offers easy access for transportation and distribution needs.
Main Plant Transformer:2500KVA, fuse protected for 3000 amps @ 480V. Chiller Room Transformer: 1500KVA, breaker protected for 1600 amps @ 480V. Currently have a 750KVA transformer installed, good for 900 amps @ 480V
The entire warehouse is under a conditioned roof and a large portion of it contains 30' clear height. Use of up to all 37 loading docks is available, and there is an opportunity to take only a portion of the building. Also included is 20,000 square feet of office area, complete with management offices, training rooms, an in-house infirmary, and a cafeteria, making it a facility suitable for various operational requirements. Trained workforce is located in this immediate area, as La-Z-Boy has been in business here for over fifty years.
PROPERTY FACTS
| Price | $12,500,000 | Rentable Building Area | 606,321 SF |
| Price Per SF | $20.62 | No. Stories | 2 |
| Sale Type | Investment or Owner User | Year Built/Renovated | 1960/2010 |
| Property Type | Industrial | Parking Ratio | 0.41/1,000 SF |
| Property Subtype | Distribution | No. Dock-High Doors/Loading | 37 |
| Building Class | C | No. Drive In / Grade-Level Doors | 1 |
| Lot Size | 27.51 AC | ||
| Zoning | L-2 - Heavy Industrial | ||
| Price | $12,500,000 |
| Price Per SF | $20.62 |
| Sale Type | Investment or Owner User |
| Property Type | Industrial |
| Property Subtype | Distribution |
| Building Class | C |
| Lot Size | 27.51 AC |
| Rentable Building Area | 606,321 SF |
| No. Stories | 2 |
| Year Built/Renovated | 1960/2010 |
| Parking Ratio | 0.41/1,000 SF |
| No. Dock-High Doors/Loading | 37 |
| No. Drive In / Grade-Level Doors | 1 |
| Zoning | L-2 - Heavy Industrial |
UTILITIES
- Lighting
- Gas
- Water
- Sewer
- Heating
SPACE AVAILABILITY
- SPACE
- SIZE
- SPACE USE
- CONDITION
- AVAILABLE
| Space | Size | Space Use | Condition | Available |
| 1st Floor | 606,321 SF | Industrial | Full Build-Out | Now |
1st Floor
| Size |
| 606,321 SF |
| Space Use |
| Industrial |
| Condition |
| Full Build-Out |
| Available |
| Now |
1 of 9
VIDEOS
MATTERPORT 3D EXTERIOR
MATTERPORT 3D TOUR
PHOTOS
STREET VIEW
STREET
MAP
1st Floor
| Size | 606,321 SF |
| Space Use | Industrial |
| Condition | Full Build-Out |
| Available | Now |
1 1
PROPERTY TAXES
| Parcel Numbers | Improvements Assessment | $0 | |
| Land Assessment | $1,540 | Total Assessment | $1,540 |
PROPERTY TAXES
Parcel Numbers
Land Assessment
$1,540
Improvements Assessment
$0
Total Assessment
$1,540
1 of 19
VIDEOS
MATTERPORT 3D EXTERIOR
MATTERPORT 3D TOUR
PHOTOS
STREET VIEW
STREET
MAP
1 of 1
Presented by
Company Not Provided
133 Scanlan St
Already a member? Log In
Hmm, there seems to have been an error sending your message. Please try again.
Thanks! Your message was sent.



